Santa Fe Diesel: A Comprehensive Repair Guide

L.Audent 73 views
Santa Fe Diesel: A Comprehensive Repair Guide

Santa Fe Diesel: A Comprehensive Repair Guide

Hey guys! Let’s dive into the world of Santa Fe Diesel engines, shall we? This guide is your go-to resource for everything from troubleshooting common issues to performing more complex repairs. Whether you’re a seasoned mechanic or just starting to get your hands dirty, we’ve got you covered. We’ll explore the unique aspects of the Santa Fe Diesel, offering practical advice, and hopefully, saving you some time and cash in the process. Buckle up, because we’re about to get down and dirty with some diesel knowledge!

Understanding Your Santa Fe Diesel Engine

First things first, before you even think about cracking open the hood, you need to understand what you’re dealing with. The Santa Fe Diesel is a robust engine, known for its fuel efficiency and impressive torque. However, like any engine, it’s not immune to problems. Understanding the key components and how they function is crucial for effective repairs. This includes the fuel injection system, the turbocharger, the glow plugs, and the diesel particulate filter (DPF). Each of these plays a vital role in the engine’s performance, and knowing how they interact can save you a ton of headaches down the line. We will break down these components and explain their functions in plain English. We want to make sure everyone understands the basics before tackling any repairs. This knowledge will not only help you diagnose problems more accurately but will also enable you to make informed decisions about maintenance and upgrades. Let’s make sure you’re well-equipped with the knowledge you need to keep your Santa Fe Diesel running smoothly for years to come. Remember, a little knowledge goes a long way, especially when it comes to diesel engines. Ready to get started? Let’s jump right in and learn about the core components!

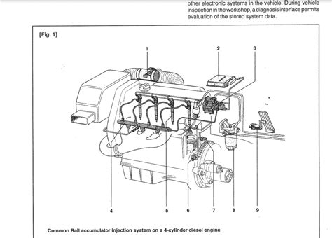
The Fuel Injection System

The fuel injection system is the heart of any diesel engine, and the Santa Fe Diesel is no exception. This complex system is responsible for delivering the precise amount of fuel to the cylinders at exactly the right time. Modern diesel engines, including those found in the Santa Fe, use a common rail fuel injection system. This system uses a high-pressure fuel rail to supply fuel to the injectors, which then spray the fuel directly into the combustion chamber. Problems in the fuel injection system can manifest in various ways, such as rough idling, reduced power, or difficulty starting. If you experience any of these symptoms, the fuel injection system is likely the culprit. Troubleshooting this system requires a careful approach, as the pressures involved are extremely high. This is where it’s important to understand the different components, like the fuel pump, the fuel injectors, the fuel filter, and the fuel pressure regulator. Each component plays a vital role in ensuring the fuel is delivered efficiently and effectively. Any issues with these components can lead to poor engine performance. Diagnosing fuel injection problems often involves using a diagnostic scanner to check for error codes and monitoring fuel pressure. A faulty fuel injector, for instance, can lead to uneven fuel distribution, causing misfires and reduced power. Regular maintenance, such as replacing the fuel filter at recommended intervals, is crucial to prevent problems with the fuel injection system. This ensures that clean fuel reaches the engine, preventing premature wear and tear on sensitive components. Understanding the fuel injection system, its components, and potential problems is the first step in keeping your Santa Fe Diesel engine running at its best.

The Turbocharger

Turbochargers are awesome, and the Santa Fe Diesel relies on one to boost power and efficiency. A turbocharger uses exhaust gases to spin a turbine, which in turn forces more air into the engine’s cylinders. This results in more power and improved fuel economy compared to a naturally aspirated engine. However, turbochargers are also complex and can be prone to failure. Common problems include oil leaks, bearing wear, and damage to the turbine blades. Signs of a failing turbocharger can include a loss of power, unusual noises like a whistling sound, or excessive smoke from the exhaust. Diagnosing turbocharger problems involves inspecting the turbocharger for leaks, checking for play in the turbine shaft, and assessing the condition of the impeller blades. Regular maintenance, such as using high-quality engine oil and adhering to oil change intervals, is crucial to prolonging the life of your turbocharger. This is because the turbocharger relies on engine oil for lubrication and cooling. Neglecting oil changes can lead to oil starvation and accelerated wear of the turbocharger components. When repairing or replacing a turbocharger, it’s essential to ensure that all related components, such as the air intake system and the exhaust system, are in good working order. A clogged air filter or a blocked exhaust can restrict airflow, reducing the turbocharger’s effectiveness and potentially causing damage. Understanding how a turbocharger works and its potential issues is key to maintaining your Santa Fe Diesel ’s performance and efficiency. Don’t underestimate the importance of regular checks and maintenance to keep that turbo spinning smoothly and efficiently.

Glow Plugs

Diesel engines, unlike gasoline engines, don’t use spark plugs to ignite the fuel. Instead, they rely on compression and heat to start the combustion process. However, in cold weather, the engine can have difficulty starting. This is where glow plugs come in handy. Glow plugs are small, electrically heated elements that warm up the combustion chambers, making it easier for the engine to start. In the Santa Fe Diesel , these glow plugs play a crucial role, especially during cold starts. If your Santa Fe Diesel is hard to start, especially when the weather is cold, the glow plugs might be the problem. Other symptoms can include rough idling for the first few minutes after starting, and reduced engine performance. Checking the glow plugs involves using a multimeter to test for continuity. A faulty glow plug won’t heat up, making it difficult for the engine to start. Replacing glow plugs is a relatively straightforward repair, but it’s important to be careful to avoid damaging the threads in the cylinder head. Always use the correct torque specifications when installing new glow plugs. Regular maintenance, such as replacing the glow plugs at the manufacturer’s recommended intervals, is crucial to ensure reliable starting performance. Additionally, you should check the glow plug relay, which controls the power to the glow plugs. A faulty relay can prevent the glow plugs from functioning correctly, even if the glow plugs themselves are in good condition. Keeping an eye on your glow plugs ensures your Santa Fe Diesel starts smoothly, no matter the weather. Don’t let a cold start ruin your day, and always give these little guys some love!

Diesel Particulate Filter (DPF)

In modern diesel engines, including the Santa Fe Diesel , the Diesel Particulate Filter (DPF) is a critical component of the emissions control system. The DPF traps soot and other particulate matter from the exhaust gases, reducing the amount of pollutants released into the atmosphere. Over time, the DPF can become clogged with soot, which can lead to reduced engine performance and, potentially, engine damage. The Santa Fe Diesel is equipped with a DPF, and it needs to be properly maintained to ensure the engine runs smoothly and efficiently. Symptoms of a clogged DPF include reduced power, increased fuel consumption, and the illumination of the DPF warning light on the dashboard. Diagnosing DPF problems involves checking for error codes related to the DPF, monitoring the exhaust backpressure, and inspecting the DPF for physical damage. The DPF is designed to regenerate, meaning it burns off the accumulated soot to clean itself. This process, called regeneration, usually occurs automatically during normal driving conditions. However, if the vehicle is primarily used for short trips, the DPF may not have the opportunity to regenerate fully. In these cases, a forced regeneration may be needed, which can be performed using a diagnostic scanner. Regular maintenance and proper driving habits are essential to keep your DPF in good condition. Avoid excessive idling and drive at speeds that allow the engine to reach its operating temperature. If the DPF becomes severely clogged, it may need to be cleaned or replaced. This is a complex process and should be performed by a qualified mechanic. Understanding the function of the DPF and how to maintain it is crucial for ensuring your Santa Fe Diesel complies with emissions standards and operates efficiently. Keep an eye on that DPF warning light, and don’t ignore any issues.

Common Santa Fe Diesel Problems

Alright, let’s talk about some of the most common issues you might encounter with your Santa Fe Diesel . Being aware of these common problems can help you diagnose issues more quickly and avoid costly repairs. We will also discuss some simple fixes and preventative measures you can take. Remember, prevention is always better than cure, right?

Hard Starting

One of the most frustrating problems with any diesel engine is hard starting. This can happen for a variety of reasons, so the first thing to do is try to identify the cause. As we mentioned, glow plugs are a primary suspect, especially in cold weather. If your Santa Fe Diesel is having trouble starting, start by checking the glow plugs. Check for any error codes related to the fuel system or engine starting. If the glow plugs aren’t the issue, then the fuel system is the next place to look. Air in the fuel lines, a clogged fuel filter, or a failing fuel pump can all make it difficult for the engine to start. Make sure to check for leaks and proper fuel pressure. Another possible cause is low compression. Compression issues can be caused by worn piston rings, damaged valves, or a blown head gasket. The problem can be tricky to diagnose, so consider a professional inspection to determine the root cause. This involves doing a compression test to check the engine’s cylinders. Battery problems can also lead to hard starting. A weak battery may not provide enough power to crank the engine, especially in cold weather. Ensure your battery is in good condition, and that the terminals are clean and corrosion-free. Regularly inspecting these components, such as the glow plugs, fuel system, and battery, can go a long way in preventing hard starting issues. Proper maintenance and a bit of troubleshooting can save you a lot of grief!

Loss of Power

Loss of power is another common problem with the Santa Fe Diesel , and it can be caused by a variety of issues. One of the most common culprits is the turbocharger. If the turbocharger is failing, you’ll likely notice a significant reduction in power. Check for leaks, damage, or other signs of failure. The fuel system can also cause power loss. A clogged fuel filter, a failing fuel pump, or a faulty fuel injector can all restrict the fuel supply, leading to reduced power. Make sure you check the fuel system for any issues. The air intake system is another area to check. A clogged air filter, or a damaged intake manifold can restrict airflow, causing a loss of power. A boost leak can cause a loss of power. Make sure to check for leaks. The engine control unit (ECU) may also have a fault. The ECU controls various engine functions, including fuel delivery and ignition timing. A faulty ECU can cause a variety of performance problems, including loss of power. Diagnosing the cause of power loss often involves using a diagnostic scanner to check for error codes. These codes can provide valuable clues about the source of the problem. A compression test can also help identify issues related to the engine’s internal components. Identifying the cause of power loss can be tricky, so make sure to consider all possible areas and check all the related components.

Excessive Smoke

Excessive smoke from the exhaust is a clear sign that something is not right with your Santa Fe Diesel . Black smoke usually indicates too much fuel is being injected into the cylinders or insufficient air. Potential causes include a clogged air filter, a faulty fuel injector, or a problem with the turbocharger. Blue smoke usually indicates that the engine is burning oil. This can be caused by worn valve seals, worn piston rings, or a damaged turbocharger. White smoke can be caused by coolant leaking into the combustion chamber. This can be a sign of a head gasket failure or a cracked cylinder head. Diagnosing the cause of excessive smoke involves a visual inspection of the exhaust and the engine. Check for leaks, and check the oil and coolant levels. Use a diagnostic scanner to check for error codes. These codes can provide important clues about the source of the problem. Once you’ve identified the cause of the excessive smoke, you can start the repair process. This may involve replacing faulty components, repairing leaks, or performing more extensive engine work. Don’t ignore smoke. It’s a sure sign something is wrong and addressing it quickly can prevent more serious damage. Address the issue immediately to prevent further damage!

Troubleshooting and Repair Tips

Now, let’s dive into some practical troubleshooting and repair tips. These tips will help you diagnose and fix common problems with your Santa Fe Diesel . Remember, safety first! Always disconnect the negative battery terminal before starting any repair work.

Diagnostic Tools

To effectively diagnose problems with your Santa Fe Diesel , you’ll need the right tools. A good diagnostic scanner is essential. This will allow you to read and clear error codes, as well as monitor live data from the engine’s sensors. A multimeter is another essential tool. You’ll need it to test electrical components, such as the glow plugs, sensors, and wiring. A compression tester is also a valuable tool for checking the engine’s compression. Other useful tools include a torque wrench, a set of wrenches and sockets, and a variety of screwdrivers. Consider getting a repair manual specific to your Santa Fe Diesel model. This manual will provide detailed instructions and diagrams for various repair procedures. Don’t forget basic safety equipment like gloves and safety glasses. And a clean workspace is always a plus. Investing in these tools will make troubleshooting and repairing your Santa Fe Diesel much easier and safer.

Step-by-Step Repair Guides

When undertaking repairs, always follow a systematic approach. If you’re tackling a repair, it is best to consult your repair manual, which will provide step-by-step instructions. Some basic tips include taking photos of the components before you disassemble anything. This will make it easier to put everything back together correctly. Take notes. This will help you keep track of what you’ve done and any observations you’ve made. Keep the parts organized. Use containers or trays to store parts as you remove them. This will prevent you from losing anything. Cleanliness is key. Clean the work area before starting the repair, and wipe down parts as you go. Test after repair. After completing the repair, always test the engine to make sure everything is working correctly. It is important to remember that safety is paramount. Always disconnect the negative battery terminal before starting any repair work. Wear appropriate safety equipment, such as gloves and safety glasses. If you’re not comfortable performing a particular repair, don’t hesitate to seek professional help. Your safety and the health of your Santa Fe Diesel are the top priorities.

Regular Maintenance for Your Santa Fe Diesel

Preventative maintenance is your best friend when it comes to keeping your Santa Fe Diesel running smoothly. Following a regular maintenance schedule will not only prevent major problems but will also extend the life of your engine. Regular oil changes are crucial. Use high-quality engine oil that meets the manufacturer’s specifications. Change the oil and filter at the recommended intervals, typically every 5,000 to 7,500 miles. Replace the fuel filter. This will help prevent contaminants from entering the fuel system, which can cause performance problems. Inspect and replace the air filter. This will ensure that the engine receives clean air, improving performance and fuel efficiency. Check the coolant level and condition. Make sure the coolant is at the proper level and that it’s in good condition. Inspect the drive belts. Replace them if they show signs of wear, such as cracking or fraying. Inspect the tires and rotate them as needed. This will ensure even wear and maximize tire life. Regularly check the fluids, including oil, coolant, brake fluid, and power steering fluid. Check for leaks and top off as needed. Follow the manufacturer’s recommended maintenance schedule. This will ensure that all components are properly maintained and serviced at the appropriate intervals. By following a regular maintenance schedule, you can keep your Santa Fe Diesel running at its best and avoid costly repairs. A well-maintained engine is a happy engine!

Where to Find Parts and Professional Help

Sometimes, you’ll need parts or professional help to keep your Santa Fe Diesel purring. Knowing where to go can save you time and stress. When it comes to finding parts, you have several options. Local auto parts stores are a good starting point. They often have a wide selection of parts, and the staff can provide advice and assistance. Online retailers offer a vast selection of parts at competitive prices. Make sure to choose reputable suppliers and check the return policy before making a purchase. Consider OEM (Original Equipment Manufacturer) parts. These are the same parts that were used in your vehicle when it was manufactured. They’re often the best choice for quality and fit. If you’re not comfortable performing repairs yourself, or if a particular repair is beyond your skill level, it’s essential to seek professional help. Certified diesel mechanics have the expertise and experience to diagnose and repair complex issues. Choose a reputable shop with a good reputation and a proven track record. Ask for recommendations from friends, family, or online reviews. When you bring your Santa Fe Diesel in for service, be sure to provide the mechanic with as much information as possible, including the symptoms you’re experiencing and any previous repairs. Having reliable parts and access to professional help is essential for keeping your Santa Fe Diesel in top condition. Don’t hesitate to seek expert advice and assistance when needed, and do your research to find the best options for your needs. Keeping your vehicle in good shape is easy with the right resources.

Conclusion: Keeping Your Santa Fe Diesel Running Smoothly

Well, guys, we’ve covered a lot of ground today! From understanding the key components of your Santa Fe Diesel engine to troubleshooting common problems and performing routine maintenance, we hope you’ve found this guide helpful. Remember, knowledge is power! The more you understand about your engine, the better equipped you’ll be to keep it running smoothly and efficiently for years to come. Don’t be afraid to get your hands dirty, and always prioritize safety. If you’re not comfortable with a repair, seek professional help. Keep up with your regular maintenance, and your Santa Fe Diesel will reward you with reliable performance and excellent fuel economy. Drive safe, and happy wrenching! We hope this guide helps you keep your Santa Fe Diesel engine running strong for many miles to come. Remember to stay informed and address issues promptly. Happy driving!