PM2120 Schneider Wiring Diagram: Your Ultimate Guide

L.Audent 18 views
PM2120 Schneider Wiring Diagram: Your Ultimate Guide

PM2120 Schneider Wiring Diagram: Your Ultimate Guide

Hey everyone! Are you scratching your head, trying to figure out the PM2120 Schneider wiring diagram ? Well, you’re in the right place! This guide is designed to be your go-to resource, whether you’re a seasoned electrician or just a curious DIY enthusiast. We’re going to break down everything you need to know, from understanding the basics to troubleshooting common issues. So, grab a coffee, settle in, and let’s get started! Wiring diagrams can seem intimidating at first glance, but with the right approach, they become much easier to understand. The PM2120 Schneider is a powerful device used in various industrial and commercial applications, from power monitoring to energy management. A clear understanding of its wiring is critical for ensuring proper functionality, safety, and longevity of the equipment. We’ll delve into the specifics of the diagram, including terminals, connections, and common wiring configurations. We will also be discussing the best practices for safe wiring and troubleshooting tips. This guide will provide you with the knowledge and confidence to work with the PM2120 efficiently and safely. Our aim is to provide you with the most up-to-date and accurate information to assist you in any wiring or installation project. Safety is our top priority, so we will emphasize the importance of following all safety guidelines throughout this guide. Let’s make this journey as informative and straightforward as possible, no complicated jargon – just practical, actionable advice. Let’s take the first step towards mastering the PM2120 Schneider wiring diagram !

Decoding the PM2120 Schneider Wiring Diagram

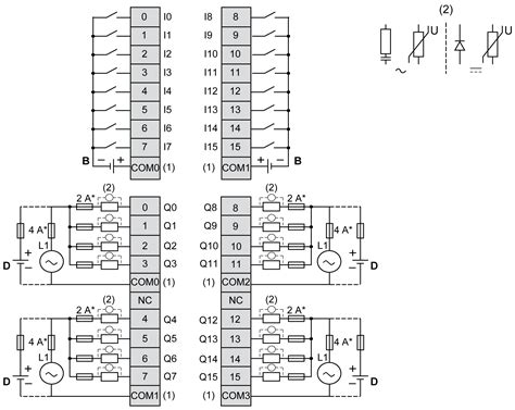
Alright, let’s dive into the core of the matter: understanding the PM2120 Schneider wiring diagram . At first glance, these diagrams can look like a complex web of lines and symbols, but don’t worry, it’s not as scary as it seems! The key is to break it down into manageable parts. The diagram typically includes several essential components. First, there are the terminals, which are the points where you’ll connect the wires. These terminals are usually labeled with specific codes to indicate their function, such as L1, L2, L3 for the incoming power supply, and N for the neutral connection. You will also see terminals for voltage inputs (like phase-to-phase or phase-to-neutral voltages), current inputs (connected to current transformers), and various output connections (like digital outputs or communication ports). Each terminal has a dedicated purpose, and connecting wires correctly is crucial for the device’s correct operation. You’ll encounter different symbols representing various components. Resistors, capacitors, and switches are illustrated with standard symbols. The diagram will also include the wiring for communication ports, if any. Pay close attention to the communication protocols specified, such as Modbus or Ethernet, as this will dictate how you configure the device for data transmission. This will also involve the specific wiring for the RS485 communication ports or the Ethernet connection. Understanding these symbols is fundamental to interpreting the diagram. Always double-check the diagram against the device’s documentation. The manufacturer’s manual will provide detailed information about the specific wiring requirements and safety precautions. Make sure you are using the correct wire gauge for all connections. Using the wrong gauge can cause overheating, leading to damage to the device or even a safety hazard. Always wear appropriate personal protective equipment (PPE), such as safety glasses and gloves, to protect yourself from potential hazards. By taking these steps and paying close attention to the details in the PM2120 Schneider wiring diagram , you’ll be well on your way to mastering it! Remember, practice makes perfect, so don’t be afraid to experiment. But always prioritize safety.

Identifying Key Components and Terminals

Okay, let’s get into the nitty-gritty of identifying key components and terminals on the PM2120 Schneider ! This is where you really start to understand how everything fits together. The PM2120 is designed to measure and monitor various electrical parameters. Knowing the location and function of each terminal is crucial. Start by locating the power supply terminals. These are typically labeled L1, L2, L3, and N (for the neutral). These terminals will be connected to your incoming power supply. Make sure the voltage matches the device’s specifications. Next, you’ll find the voltage input terminals. These are where you connect the voltage sensing wires to measure the voltage across different phases. These are very important to make sure that the meter can accurately measure and monitor the voltage of your electrical system. Then there are the current input terminals. These are usually connected to current transformers (CTs). The CTs are clamped around the conductors to measure the current flowing through them without direct contact. The current input terminals should be connected to the secondary side of the CTs. This is important to ensure the accuracy of the current measurements. Also, look for the communication terminals. The PM2120 often has communication ports, such as RS485 or Ethernet, to transmit data to a monitoring system. These terminals are used for connecting the device to a network or other monitoring equipment. Take your time to locate and identify each terminal. It is very important to do this step-by-step. The diagram will show the arrangement of these terminals. Study the diagram carefully to find the location and function of each terminal. The PM2120 may have additional terminals for digital inputs and outputs, which can be used to control external devices or receive signals from them. Understanding the purpose of each terminal will enable you to connect the device correctly and ensure its proper operation. Use a multimeter to verify the wiring. After connecting the wires, use a multimeter to check the continuity and voltage at each terminal. This will help you to identify any wiring errors. Use the PM2120 Schneider wiring diagram as your guide and always double-check your connections to ensure you’re connecting the correct wires to the right terminals.

Understanding Symbols and Abbreviations

Let’s get real for a second, guys: those symbols and abbreviations on the PM2120 Schneider wiring diagram can look like another language! But don’t worry, we’re going to translate it for you. There are a few key symbols and abbreviations you need to know. Understanding these will significantly improve your ability to read and interpret the diagram accurately. You’ll typically see symbols representing components like resistors, capacitors, and inductors. The resistor symbol looks like a jagged line, capacitor like two parallel lines, and an inductor is a coil-like symbol. Then, there’s the symbol for switches, which can vary depending on the type of switch, but generally it’s a simple representation of an open or closed circuit. You will also see various abbreviations. For example, L1, L2, and L3 usually denote the three phases of a power supply, while N indicates the neutral wire. Abbreviations like V (voltage), A (amperes, for current), and Hz (Hertz, for frequency) will be common. Look for abbreviations for communication protocols like Modbus or Ethernet. These protocols are commonly used for data transmission. There’s also the grounding symbol, which looks like a downward-pointing triangle, and indicates the point where the device is connected to the ground. The manufacturers use standardized symbols for common components. The PM2120 Schneider will also include specific symbols unique to this device. Always refer to the manufacturer’s documentation for a complete explanation of all symbols and abbreviations. If you are unsure of a symbol or abbreviation, consult the device’s manual. This will ensure you understand each component and connection. Pay close attention to the wiring for digital inputs and outputs, as these are often represented with specific symbols. Understanding the symbols and abbreviations is essential for deciphering the PM2120 Schneider wiring diagram and ensuring a successful installation. Remember that each symbol and abbreviation conveys important information about how the components are connected. Don’t rush; take your time to learn each symbol. By understanding these symbols, you’ll be able to interpret the diagram correctly, and it will ensure that you can safely and effectively work with the PM2120 .

Step-by-Step Wiring Guide for the PM2120 Schneider

Alright, let’s get our hands dirty! This step-by-step wiring guide will walk you through the process of wiring the PM2120 Schneider . The goal is to provide a comprehensive guide that will help you at every stage of the wiring process. Before you start, always ensure that the power supply is disconnected. Safety first, people! Gather all the necessary tools and equipment. You’ll need wire strippers, a screwdriver, a multimeter, and, of course, the PM2120 Schneider device and the wiring diagram. Use the appropriate wire gauge for the connections. Refer to the manufacturer’s specifications for the recommended wire size. Next, identify the power supply terminals on the PM2120 . These are typically labeled L1, L2, L3, and N. Connect the power supply wires to these terminals, ensuring the correct polarity and voltage. The next step is to connect the voltage inputs. These are the terminals where you’ll connect the wires to measure the voltage. Ensure the wires are correctly connected to the corresponding phases. Then, the current input connections. These are connected to the secondary side of the current transformers (CTs). Make sure you install the CTs correctly on the primary conductors. Always check the CT polarity. Once all the connections are made, double-check all the wiring against the diagram. It’s always a good idea to verify all the connections again. Use a multimeter to check the continuity and voltage at each terminal. This will confirm the connections are correct and free from short circuits. Once you’re confident that all wiring is correct, you can power up the device. If everything is wired correctly, the device should start up without issues. The device’s display should show the measured electrical parameters. Monitor the device. Observe the device’s readings for a period of time to ensure it functions as expected. If the PM2120 doesn’t work as expected, turn off the power and double-check all the wiring. Remember, this step-by-step guide is designed to make the wiring process as easy and safe as possible. Take your time, double-check your work, and always prioritize safety! If in doubt, consult a qualified electrician. Wiring can be dangerous, so it’s always better to be safe than sorry.

Preparing for Wiring: Tools and Safety

Before you start wiring the PM2120 Schneider , let’s talk about the essential tools and safety precautions. You need the right tools and equipment to perform the wiring task safely and correctly. First and foremost, you will need a wire stripper and a screwdriver, these are essential for stripping the insulation from wires and tightening terminal screws. Make sure you have the correct size and type of screwdriver. A multimeter is also a must-have tool. It will help you to check for voltage, continuity, and resistance, allowing you to verify the wiring connections. You’ll also need the right PPE to keep you safe. Always wear safety glasses or goggles. This will protect your eyes from debris and potential electrical hazards. Wear insulated gloves. These protect your hands from electric shock. Make sure the gloves are rated for the voltage you are working with. Also, always use insulated tools, especially screwdrivers and pliers, to reduce the risk of electric shock. Always disconnect the power supply before working on the wiring. This is the most crucial safety step. Use a lockout/tagout procedure to ensure the power cannot be accidentally turned on while you are working. Always work in a dry environment. Moisture can increase the risk of electric shock. Keep the work area clean and organized. This will help you to avoid mistakes. Make sure that all the tools and equipment are in good working condition. Inspect your tools before using them. Make sure that the insulation is not damaged. By following these safety guidelines, you can minimize the risk of accidents and ensure that the wiring task is completed safely and efficiently. If you’re unsure about any aspect of the wiring process, always consult a qualified electrician. Remember, safety first!

Connecting Power and Voltage Inputs

Alright, let’s focus on connecting the power and voltage inputs of the PM2120 Schneider . Getting these connections right is critical for the device to function correctly and accurately measure electrical parameters. The first step is to connect the power supply. The power supply terminals are usually labeled L1, L2, L3 (for three-phase systems), and N (neutral). Make sure to connect the power supply wires to the correct terminals. Double-check the voltage rating of the PM2120 to ensure it matches the power supply voltage. Use the correct wire gauge for the power supply connections. The wire gauge is based on the current load. Refer to the manufacturer’s specifications for the recommended wire size. Next, we’ll focus on the voltage inputs. The voltage input terminals are where you connect the wires to measure the voltage across different phases. These terminals are usually labeled according to the phases being measured. Connect the voltage input wires to the appropriate terminals. Make sure that the wires are securely connected to prevent any loose connections, which can lead to measurement errors. Check the polarity of the connections. Incorrect polarity can affect the accuracy of the measurements. Once you’ve connected the power and voltage inputs, it’s a good idea to perform a visual inspection. Check all connections to make sure the wires are securely in place. Then, use a multimeter to verify the wiring. Check for continuity and voltage at each terminal. This will confirm that the connections are correct and free from short circuits. Once you’re confident that all wiring is correct, you can power up the device. If the device powers up, and the display shows the correct voltage readings, you’ve successfully connected the power and voltage inputs. Always double-check your wiring against the PM2120 Schneider wiring diagram to ensure everything is connected correctly. If you’re unsure, or if you’re not comfortable working with electrical wiring, consult a qualified electrician. Incorrect connections can cause the device to malfunction or, worse, become a safety hazard. Always prioritize safety and follow all the instructions.

Current Transformer (CT) Connections

Now, let’s get into the crucial area of Current Transformer (CT) connections for your PM2120 Schneider . Correctly connecting CTs is essential for accurate current measurement, which is a key function of this device. A CT is a device that measures current by sensing the magnetic field produced by the current flowing through a conductor without direct contact. The CT is placed around the conductor. The PM2120 then uses the CT’s output to measure the current. The first step is selecting the correct CTs. The CTs should match the current range and the voltage level of the system you are monitoring. The CT ratio should be appropriate for the expected current. Always consult the PM2120 Schneider wiring diagram for recommended CT specifications. The CTs are typically installed around the main conductors. Always make sure the CTs are correctly oriented. Most CTs have a primary side and a secondary side. The primary side is connected to the main conductor. The secondary side is connected to the PM2120 . Always connect the secondary side of the CTs to the current input terminals on the PM2120 . These are typically labeled I1, I2, I3 (for a three-phase system). Before connecting the CTs, make sure the power is turned off. Disconnect the power supply from the system. This is a very important safety step. Once the power is off, you can open the CTs (if they are split-core type) or carefully install them around the conductors. Once the CTs are installed, connect the secondary wires to the current input terminals on the PM2120 . The CTs are polarized, so it’s essential to maintain the correct polarity. The PM2120 Schneider wiring diagram will show you the correct polarity. After connecting the CTs, it’s always a good idea to check your connections using a multimeter. Verify the continuity between the CTs and the PM2120 current input terminals. Make sure the CTs are properly oriented. Ensure that you have the correct CT ratio set in the PM2120 configuration. This is crucial for accurate current readings. If you’re working with a three-phase system, make sure the CTs are connected to all three phases. Any issues can cause measurement errors. By following these steps and paying close attention to the PM2120 Schneider wiring diagram , you can ensure that the CTs are correctly connected, leading to accurate current measurements and helping you make sure that the system is operating optimally.

Troubleshooting Common Wiring Issues

Alright, let’s talk about troubleshooting. Even with the best wiring practices, issues can arise when dealing with the PM2120 Schneider . The ability to troubleshoot these problems is an essential skill. One of the first things to check is the power supply. Make sure the device is receiving the correct voltage. A power supply issue is a common cause of malfunction. Always double-check that the power supply connections are secure. If the device isn’t powering up, check the fuse. The device’s fuse may be blown. Always replace the fuse with the correct rating. If the PM2120 powers up but doesn’t display any readings, the voltage or current inputs might be incorrectly wired. Also, check the wiring of the voltage and current inputs. Check the CT connections. Make sure that the CTs are installed correctly and that the CT ratio is correctly configured. If the readings are inaccurate, you may need to recalibrate the device. Always compare the PM2120 readings with those of a known-good meter to verify the accuracy. If the readings are still incorrect after troubleshooting, then contact technical support. Another common problem is communication issues. If the device can’t communicate with your monitoring system, check the communication settings. Check the communication wiring and settings. Make sure that the communication parameters are correctly configured. Check the communication port settings on the device and on your monitoring system. If you suspect an issue, then test the communication cable. Replace the cable if needed. If you’ve tried all the above steps, then try to reset the device to its factory settings. Be sure to back up any important data before doing this. If you are having problems, then consult the PM2120 Schneider wiring diagram to identify potential issues and ensure proper connections. If you still can’t solve the problem, then consult the manufacturer’s documentation or contact technical support for further assistance. Never hesitate to ask for professional help if you are not comfortable with the troubleshooting steps. Safety is always a priority.

No Power or Display Issues

Let’s get into what to do when your PM2120 Schneider doesn’t power up or the display is blank. If the device doesn’t turn on or the display is blank, then the first thing to check is the power supply. Make sure the PM2120 is receiving the correct voltage. Use a multimeter to verify that the power supply voltage is present at the device’s power input terminals. The power supply connections may be loose. Check all the power supply connections to make sure they are secure. Loose connections are a common cause of no-power issues. The device’s fuse might be blown. If the device has a fuse, inspect it and replace it if it is blown. Use the correct fuse rating as specified in the PM2120 Schneider documentation. If there is a power outage, the device might not be getting power. If there is an outage in the area, then wait for the power to be restored. If the display is not showing the correct information, then check the device settings. The display settings might not be correctly configured. Check the display settings in the device’s configuration menu. Make sure the display is enabled. There might be a problem with the device itself. If the power supply and display settings are okay, the device itself might be faulty. Consult the manufacturer’s documentation to determine if the device needs to be repaired or replaced. If the device powers up, but the display is blank or shows incorrect readings, then always refer to the PM2120 Schneider wiring diagram . Follow the manufacturer’s troubleshooting guide. Always consult a qualified technician for complex repairs. Always prioritize safety, and never attempt to repair an electrical device if you are not qualified.

Incorrect Readings and Measurement Errors

Let’s dive into diagnosing incorrect readings and measurement errors in your PM2120 Schneider . Inaccurate readings can be frustrating, so let’s walk through how to identify and resolve these issues. Begin by verifying the voltage and current inputs. Check the wiring for the voltage and current inputs. Incorrect wiring is the most common cause of measurement errors. Confirm that the voltage and current inputs are wired correctly according to the PM2120 Schneider wiring diagram . Inaccurate readings may come from the CTs. Make sure the CTs are correctly installed and that the CT ratio is correctly configured. A mismatched CT ratio is a common cause of inaccurate current readings. Ensure the CTs are correctly oriented, and that the CT ratio is properly set in the device’s configuration. If the readings are still incorrect, then calibrate the device. The PM2120 may need to be calibrated. Refer to the manufacturer’s instructions for calibrating the device. Compare the PM2120 readings with those of a known-good meter to verify the accuracy. The device might be faulty. If all other steps have failed, then the device might be faulty. Consult the manufacturer’s documentation to determine if the device needs to be repaired or replaced. Make sure the power supply voltage is stable. Unstable power can lead to inaccurate readings. Check the power supply voltage and the system grounding. Ensure that the grounding is properly connected to reduce the impact of electrical noise. The environment can also affect the readings. Electrical noise can interfere with the device’s measurements. Keep the device away from sources of electrical noise, such as motors and transformers. If the issue is persistent, consult the PM2120 Schneider wiring diagram and the device manual to double-check all connections and settings. Always prioritize safety and consult a qualified technician if you’re unsure how to proceed.

Frequently Asked Questions (FAQ) about PM2120 Wiring

Alright, let’s address some common questions about wiring the PM2120 Schneider ! These FAQs will provide you with the answers to frequently asked questions. This will assist you in any wiring project that you may encounter.

Q: What is the correct wire size to use? A: The correct wire size will depend on the current load. Refer to the manufacturer’s specifications for the recommended wire size. Always choose a wire size that is appropriate for the current you are wiring.

Q: Where can I find the wiring diagram for my PM2120? A: The wiring diagram is usually included in the device’s documentation. You can also download it from the manufacturer’s website. Always refer to the most recent version of the diagram.

Q: How do I connect the current transformers (CTs)? A: The CTs are connected to the current input terminals on the PM2120 . Make sure to observe the polarity of the CTs and connect them correctly. Be sure to select the correct CT ratio.

Q: What should I do if the device is not showing any readings? A: First, check the power supply and the wiring of the voltage and current inputs. Make sure the connections are secure and the CTs are correctly installed. Then, make sure the communication settings are configured correctly.

Q: Can I use any type of wire for the connections? A: No. You should use the correct type and gauge of wire. Using the wrong type of wire can be a safety hazard. Always follow the manufacturer’s specifications.

Q: Where can I find the correct wiring diagram for my device? A: The best place to start is the PM2120 Schneider documentation. Then check the manufacturer’s website. If you are having trouble, then contact their technical support.

This FAQ section is designed to give you quick answers to common questions about wiring the PM2120 Schneider . Remember, always prioritize safety and consult a qualified electrician if you are not sure about a particular aspect of the wiring process. If you encounter an unusual problem, then you can consult the PM2120 Schneider wiring diagram for more detailed information.

Conclusion: Mastering the PM2120 Wiring Diagram

Alright, folks, we’ve covered a lot of ground in this guide to the PM2120 Schneider wiring diagram ! We’ve tackled the basics, decoded the symbols, and walked through step-by-step wiring. We also covered troubleshooting common issues, and answered some of the most frequently asked questions. Now that you’ve got this knowledge, you are well-equipped to handle the PM2120 with confidence. Remember, the PM2120 is a powerful tool. A clear understanding of its wiring is critical for ensuring proper functionality, safety, and longevity of the equipment. Always prioritize safety. Disconnect the power before you start any wiring, use the right tools, and wear proper PPE. Always consult the manufacturer’s documentation and, if in doubt, don’t hesitate to seek the help of a qualified electrician. Wiring can be tricky, but with the right approach and the right knowledge, you can master it. Keep learning, keep practicing, and never stop improving your skills. So go out there, apply what you’ve learned, and happy wiring, everyone!