Kubota GZD15: Your Ultimate Guide

L.Audent 66 views
Kubota GZD15: Your Ultimate Guide

Kubota GZD15: Your Ultimate Guide

Hey everyone, welcome back to the blog! Today, we’re diving deep into a machine that’s a real workhorse in the landscaping and groundskeeping world: the Kubota GZD15 . If you’re in the market for a zero-turn mower that offers power, precision, and some seriously cool features, you’ve come to the right place. We’re going to break down everything you need to know about this bad boy, from its engine specs to its cutting performance, and why it might just be the perfect addition to your fleet or your personal property. Get ready to learn why the GZD15 is a name you’ll want to remember!

Unpacking the Powerhouse: Engine and Performance

Let’s talk turkey, guys. When you’re looking at a commercial-grade mower like the Kubota GZD15 , the first thing that really matters is what’s under the hood. This machine doesn’t mess around. It’s typically powered by a robust diesel engine, often the Kubota D782, which is a 3-cylinder, liquid-cooled diesel powerhouse. We’re talking about serious displacement here, usually around 0.767 liters. This isn’t just about raw horsepower, although it certainly has that; it’s about reliable power. Diesel engines are known for their longevity, fuel efficiency, and torque, which means the GZD15 can tackle thick grass, inclines, and demanding tasks without breaking a sweat. Imagine mowing vast lawns, commercial properties, or even agricultural fields – this engine is built to handle it all, day in and day out. The liquid cooling system ensures that the engine stays at optimal operating temperatures, even during those long, hot summer days when you’re pushing the machine to its limits. This prevents overheating and premature wear, extending the life of the engine significantly. Plus, the diesel nature means you’re getting excellent fuel economy compared to gasoline counterparts, saving you money at the pump over time. For those of you who rely on your equipment for a living, this translates directly to lower operating costs and higher profitability. The torque provided by the diesel engine also means you can maintain a consistent cutting speed even when the grass is dense or wet, ensuring a clean and uniform finish every time. This is crucial for professional landscapers who need to deliver impeccable results for their clients. The GZD15 isn’t just about getting the job done; it’s about getting it done efficiently and effectively , minimizing downtime and maximizing productivity. We’re talking about a machine that’s engineered for endurance and performance, designed to be a true partner in your work.

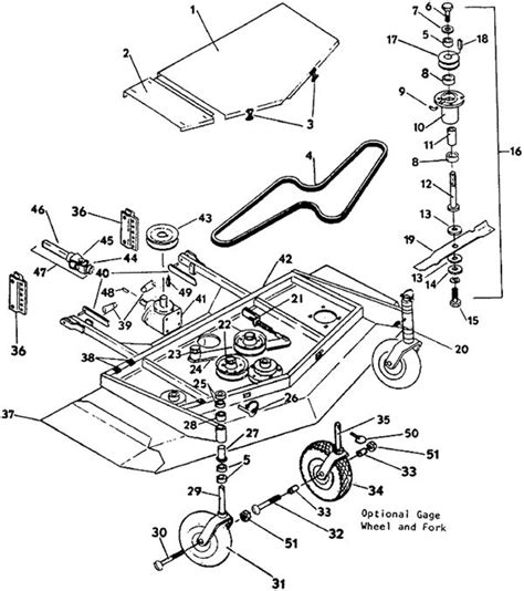
Precision Cutting and Deck Options

Now, let’s get to the part that really matters for that beautiful lawn finish: the cutting deck. The Kubota GZD15 usually comes equipped with a heavy-duty, fabricated mower deck. These decks aren’t your flimsy, stamped metal jobs; they’re built tough, often with a deep design to handle large volumes of grass. You’ll typically find options for deck widths, commonly ranging from 48 inches up to 60 inches, giving you the flexibility to choose the size that best suits your property or workload. A wider deck means you can cover more ground in less time, which is a huge plus for large areas. But it’s not just about size; it’s about the quality of the cut. The GZD15 decks are designed for superior airflow, which helps lift the grass blades for a cleaner, more even cut. This results in that manicured, professional look that everyone wants. The blades are often made of high-quality steel, designed to stay sharp longer and provide a precise cut. Many models feature a hydrostatic transmission (HST), which allows for smooth, variable speed control. This means you can easily adjust your mowing speed to match the grass conditions, whether it’s thick and overgrown or fine and well-maintained. The zero-turn capability itself is a game-changer. It allows you to navigate around obstacles like trees, flower beds, and landscaping features with incredible precision, significantly reducing the need for tedious trimming afterwards. This saves you valuable time and effort. The deck height adjustment is usually very user-friendly, often with a dial or lever system, allowing you to quickly set the perfect cutting height for different grass types or desired looks. Some decks might even offer features like mulching kits or baggers, further enhancing their versatility. For commercial operators, this means being able to offer a variety of services to clients, from standard mowing to mulching or collection. The build quality of the deck itself is also paramount. Fabricated decks are typically welded for maximum strength and durability, able to withstand the rigors of daily use in demanding environments. They are designed to resist bending and warping, ensuring consistent cutting performance over the long haul. So, when we talk about the cutting deck on the GZD15, we’re talking about a system that’s engineered for both superior performance and long-lasting reliability. It’s the business end of the mower, and Kubota really nails it.

Comfort and Ergonomics: Mowing Made Easy

Let’s be honest, guys, if you’re spending hours on a mower, comfort is a huge deal. Nobody wants to feel like they’ve been through a wrestling match by the time they’re done. The Kubota GZD15 is designed with the operator in mind. You’ll find a comfortable, often suspension-style seat that helps absorb shocks and vibrations, reducing fatigue during long mowing sessions. Think about those bumpy fields or uneven terrain – that seat is your best friend. The controls are typically laid out intuitively. The steering levers are usually ergonomically shaped and offer smooth, responsive control, making those zero-turn maneuvers feel natural and effortless. You shouldn’t be fighting the machine; you should be working with it. The dashboard or instrument panel usually provides all the essential information at a glance – fuel level, engine temperature, oil pressure, and maybe even a mower deck engagement indicator. This keeps you informed without being distracting. Many models include features like cup holders, storage compartments for your tools or phone, and easy access to maintenance points. Even the engine placement is often optimized for noise reduction and heat management, creating a more pleasant operating environment. For professional landscapers, this means their crews can work longer and more comfortably, leading to increased productivity and potentially fewer errors due to fatigue. For homeowners with large properties, it means tackling lawn care chores without dreading the experience. The foot platform is usually spacious and often features a non-slip surface for added safety. Some higher-end models might even offer adjustable steering levers to accommodate operators of different heights. Everything is designed to minimize strain and maximize control. Kubota understands that a comfortable operator is a more efficient and safer operator. They’ve put a lot of thought into making the GZD15 a machine you want to operate, not one you endure. It’s about making a tough job feel a little bit easier, a little bit smoother, and a whole lot more productive. So, whether you’re out there for a few hours or the entire day, the GZD15 aims to keep you as comfortable and focused as possible on the task at hand.

Durability and Build Quality: Kubota Tough

When you invest in a piece of equipment like the Kubota GZD15 , you’re not just buying a mower for today; you’re buying a machine that’s built to last. Kubota has a legendary reputation for durability and quality, and the GZD15 is a prime example of that commitment. We’re talking about a heavy-duty frame construction, often made from thick-gauge steel, that can withstand the bumps, vibrations, and stresses of regular use. This isn’t a lightweight machine; it’s built with substance. The components are selected for their resilience. From the robust transmission to the high-quality bearings and the sturdy mower deck, every part is chosen to endure harsh conditions. This means fewer breakdowns, less downtime, and ultimately, a lower total cost of ownership over the years. Think about it: a machine that consistently performs without major issues is worth its weight in gold, especially for professionals where every hour of operation counts. The paint and finish are also typically top-notch, designed to resist rust and corrosion, keeping your mower looking good and protected from the elements. Kubota’s engineering prowess extends to the hydraulics and drive systems, which are designed for smooth, powerful, and reliable operation. The zero-turn transmission, often a commercial-grade Parker unit, is built for demanding applications and offers excellent durability. Even the smaller details, like the quality of the wiring harnesses and the robustness of the fasteners, contribute to the overall longevity of the machine. This attention to detail is what sets Kubota apart. They don’t just assemble parts; they engineer a complete, reliable system. For anyone who relies on their equipment for their livelihood, this level of durability is non-negotiable. It provides peace of mind, knowing that your investment is protected and that the machine will be there when you need it, season after season. The GZD15 embodies the ‘Kubota Tough’ philosophy, meaning it’s ready to tackle tough jobs in tough environments and keep coming back for more. It’s a testament to their engineering and manufacturing standards, ensuring you get a machine that truly stands the test of time.

Maintenance and Serviceability

Okay, let’s talk about keeping this beast running smoothly. Even the most durable machines require regular maintenance, and the Kubota GZD15 is designed to make that process as straightforward as possible. Kubota understands that easy access to service points is crucial for keeping your mower in peak condition and minimizing downtime. Most maintenance tasks, like checking and topping off engine oil, inspecting air filters, checking tire pressure, and lubricating key points, are usually quite accessible. The engine bay is typically laid out logically, allowing you to easily reach filters, dipsticks, and fluid reservoirs. The mower deck often has features that allow for easier cleaning and blade inspection or replacement. Many models incorporate features like a tilt-up or removable operator’s platform, which provides excellent access to the hydrostatic transmission and other underside components for inspection and service. This is a huge advantage, especially for professional mechanics or owners who prefer to do their own maintenance. It saves time and makes the job much less of a hassle. Regular oil changes, filter replacements, and belt checks are essential for any engine, and the GZD15 makes these routine tasks manageable. The owner’s manual will provide a detailed maintenance schedule and clear instructions, ensuring you know exactly what needs to be done and when. Keeping up with these simple maintenance steps will significantly extend the life of your GZD15 and ensure it performs at its best. It prevents minor issues from becoming major, costly repairs down the line. Think of it as preventative medicine for your mower. Furthermore, the widespread availability of Kubota parts and service through their extensive dealer network means that if you do encounter a problem or need a specific part, you’re likely to find it easily. This network is a significant advantage, providing support and expertise when you need it most. So, while no machine is maintenance-free, the GZD15 is engineered with serviceability in mind, helping you keep it running reliably for years to come. It’s all about smart design that makes your life easier, even when it comes to the less glamorous aspects of ownership.

Why Choose the Kubota GZD15?

So, after breaking all this down, why should the Kubota GZD15 be your next zero-turn mower? It boils down to a few key things: uncompromising power and performance thanks to its robust diesel engine, precision cutting from its heavy-duty fabricated deck, operator comfort that makes long hours feel shorter, and legendary Kubota durability that ensures a long service life. It’s a machine built for professionals and serious homeowners who demand reliability, efficiency, and a superior finish. If you’re looking for a zero-turn mower that won’t quit, that cuts like a dream, and that’s a solid investment in your property or business, the GZD15 is definitely worth a serious look. It represents a fantastic blend of power, comfort, and sheer build quality that’s hard to beat in its class. It’s more than just a mower; it’s a tool that helps you get the job done right, every single time. Thanks for tuning in, and happy mowing!