Kubota GST Transmission: A Comprehensive Guide
Kubota GST Transmission: A Comprehensive Guide
Hey everyone! Today, we’re diving deep into the world of Kubota GST transmissions . If you’re a Kubota tractor owner, or just curious about these amazing machines, you’re in the right place. We’ll be covering everything from how these transmissions work, to common problems, and how to keep your Kubota running smoothly. Let’s get started, shall we?
Table of Contents
- What is a Kubota GST Transmission? Understanding the Basics
- The Components of a Kubota GST Transmission
- Common Problems and Troubleshooting Your Kubota GST Transmission
- Gear Shifting Problems
- Slipping Gears
- Noisy Operation
- Overheating
- Kubota GST Transmission Maintenance: Keeping Things Running Smoothly
- Regular Fluid Changes
- Filter Replacement
- Inspection and Lubrication
- Proper Operating Practices
- When to Call a Professional: Knowing When to Get Help
- Persistent Problems
- Major Repairs
- Safety Concerns
- Lack of Specialized Tools
- Conclusion: Keeping Your Kubota GST Transmission Running Strong
What is a Kubota GST Transmission? Understanding the Basics
Alright, first things first, what exactly is a Kubota GST transmission ? GST stands for Glide Shift Transmission . Basically, it’s a type of transmission found in many Kubota tractors that offers a smooth and efficient way to change gears. Unlike traditional mechanical transmissions, the GST allows you to shift between gears without having to fully stop the tractor. This is super handy, especially when you’re working in the field and need to quickly adjust your speed. So, in simple terms, the GST transmission is a user-friendly and reliable system that helps you get the most out of your Kubota tractor. It gives you a range of speeds to tackle various tasks, from plowing fields to hauling materials. This is a crucial system and it is important to know everything about it.
The main advantage of a GST transmission is its ease of use. You’ll find it far easier to operate compared to a mechanical transmission, especially if you need to frequently change gears. You don’t have to fully stop your tractor to shift gears, which saves you a ton of time and effort. It typically features two or three ranges (like Low, Medium, and High) and multiple gears within each range. This gives you a wide selection of speeds to match the job. The controls are usually straightforward: a lever or switch to select the range, and another to select the gear. The GST system employs a combination of hydraulic and mechanical components to make these shifts possible. It allows for a gradual and smooth transition between gears, minimizing jolts and jerks. Many Kubota tractors are designed to be user-friendly, and the GST transmission is a testament to that. It’s an ideal choice for both experienced tractor operators and those new to the game. It allows for more efficient work and makes the whole operating experience less stressful. Kubota knows how important it is to have equipment that is easy to operate. These tractors are built to last and make your work more efficient.
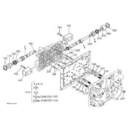
The Components of a Kubota GST Transmission
Now, let’s take a look under the hood. The Kubota GST transmission is made up of a bunch of different parts working together. Understanding these components can help you troubleshoot issues. Here are some of the key parts:
- Clutch Packs: These are crucial for gear changes. They engage and disengage the gears smoothly. They are made of multiple friction plates. These packs are controlled by hydraulic pressure. When you shift gears, the hydraulic system activates the correct clutch pack to engage the desired gear. It is important to know how to maintain them.
- Hydraulic System: This system uses hydraulic fluid to control the clutch packs and other moving parts. The hydraulic fluid provides the necessary pressure for smooth gear changes. Maintaining the right fluid level and keeping the system clean are super important for the transmission’s health. The hydraulic system is the heartbeat of the GST transmission.
- Gears: Obviously, gears are the backbone of the transmission. They are designed to transfer power from the engine to the wheels at different speeds. The gear system allows your Kubota tractor to perform different tasks.
- Valves: These regulate the flow of hydraulic fluid to the clutch packs. They are critical for ensuring precise and timely gear shifts. These valves open and close to direct the hydraulic fluid to the appropriate clutch packs.
- Control Lever/Switch: This is what you, the operator, use to select the gear and range you need. The lever or switch sends signals to the hydraulic system to engage the right components.
Each component plays a vital role in the smooth and efficient operation of the transmission. If one component fails, the entire system can suffer. Understanding these components is your first step in maintaining the health of your GST transmission.
Common Problems and Troubleshooting Your Kubota GST Transmission
Alright, let’s talk about some of the issues that might pop up with your Kubota GST transmission . Even the best-built machines can run into problems. Knowing how to identify and address these issues can save you time and money. Here are some common problems and how to troubleshoot them:
Gear Shifting Problems
One of the most common issues is difficulty shifting gears. This can manifest in a few ways. You might find it hard to move the gear lever or switch, or the gears might grind or not engage fully.
- Possible Causes: This could be due to low hydraulic fluid levels, a faulty hydraulic pump, or issues with the clutch packs. Sometimes, it’s something as simple as a clogged filter. The first thing you need to check is the hydraulic fluid level. Low fluid levels can seriously impact the transmission’s performance. Also, check for any leaks that could be causing a drop in fluid pressure.
- Troubleshooting Steps: First, check the hydraulic fluid level and top it off if necessary. Then, inspect the filter and replace it if it’s clogged. If the problem persists, you might need to check the hydraulic pump. Finally, examine the clutch packs for wear and tear. If you are experiencing grinding gears, stop and do not operate the tractor and contact a professional immediately.
Slipping Gears
Slipping gears are another common problem. You might notice that the tractor loses power or struggles to maintain its speed, especially under load. The engine RPMs might increase without a corresponding increase in speed.
- Possible Causes: This can be caused by worn clutch packs, low hydraulic pressure, or a problem with the control valves. Worn clutch packs can’t grip the gears properly, causing slippage.
- Troubleshooting Steps: Start by checking the hydraulic fluid level and pressure. Low pressure can cause the clutch packs to slip. Check the control valves to see if they’re functioning correctly. Finally, inspect the clutch packs for wear. If they are worn, they will need to be replaced.
Noisy Operation
If your GST transmission starts making unusual noises, like grinding, whining, or clunking, it’s time to investigate.
- Possible Causes: These noises can be due to worn gears, damaged bearings, or low lubrication. Lack of lubrication can lead to friction and damage.
- Troubleshooting Steps: The first step is to identify the source of the noise. Try to pinpoint when the noise occurs – during gear changes, under load, or at all times. Check the oil level and look for metal shavings, which could indicate wear and tear. If the noise is persistent, it’s best to have a mechanic check the transmission. Don’t ignore strange noises; they are often a sign of a bigger problem. Ignoring these signs can lead to more serious issues down the road.
Overheating
Overheating can cause serious damage to your transmission. If you notice the transmission is running hotter than usual, take action.
- Possible Causes: Overheating can be caused by low hydraulic fluid, a clogged filter, or continuous heavy use. Working the tractor hard for extended periods can also contribute.
- Troubleshooting Steps: Check the hydraulic fluid level. Make sure it is at the correct level. Check the filter to make sure it’s clean and clear. If it’s clogged, replace it. Reduce the load on the tractor if you can. If the problem persists, have the transmission checked by a professional.
When troubleshooting, always consult your Kubota tractor’s owner’s manual for specific instructions and safety precautions. If you’re not comfortable working on the transmission yourself, it’s always best to take it to a qualified mechanic. Remember, regular maintenance is key to preventing these problems in the first place.
Kubota GST Transmission Maintenance: Keeping Things Running Smoothly
Now that we’ve covered the common problems, let’s talk about how to keep your Kubota GST transmission in tip-top shape. Regular maintenance is the key to a long and trouble-free life for your transmission. Here’s a maintenance checklist to keep you going:
Regular Fluid Changes
The most important maintenance task is regular hydraulic fluid changes. Hydraulic fluid lubricates the moving parts, cools the system, and helps transmit power.
- Frequency: Change the fluid and filter according to the manufacturer’s recommendations. Usually, this is every few hundred hours of operation or annually. Using the right type of fluid is essential. Kubota recommends specific hydraulic fluids designed for their tractors. Using the wrong fluid can damage the transmission. Always consult your owner’s manual for the correct fluid type.
- Process: Before you start, make sure the tractor is parked on a level surface and the engine is off. Locate the drain plug on the transmission housing and place a drain pan underneath. Remove the drain plug and let the fluid drain completely. Then, remove and replace the hydraulic filter. Once the fluid has drained, replace the drain plug and tighten it to the specified torque. Next, refill the transmission with the correct type and amount of hydraulic fluid. Check the fluid level with the dipstick. Once you have the correct fluid level, start the engine and let it run for a few minutes. Check for any leaks around the drain plug or filter. After the tractor has been running for a while, recheck the fluid level and add more if necessary.
Filter Replacement
The hydraulic filter removes contaminants from the fluid, preventing them from damaging the transmission.
- Frequency: Replace the filter every time you change the hydraulic fluid. Make sure to use a genuine Kubota filter or a high-quality aftermarket filter designed for your model.
- Process: The process is generally straightforward. Locate the filter, remove it, and replace it with a new one. Before installing the new filter, lubricate the gasket with clean hydraulic fluid. Hand-tighten the new filter until the gasket makes contact with the housing, then tighten it another half to three-quarters of a turn.
Inspection and Lubrication
Regular inspections can help you catch problems early, before they become major issues.
- What to Check: Inspect the transmission for any leaks, paying close attention to the seals and gaskets. Check the fluid level regularly and look for any signs of contamination, such as metal shavings or a milky appearance. Make sure to lubricate any fittings according to the manufacturer’s recommendations.
- Lubrication: Use the right type of grease and apply it to the appropriate fittings. This is important to ensure smooth operation of the moving parts and to prevent wear and tear. Lubrication keeps the moving parts working at their best. If you notice any signs of wear or damage, consult a mechanic immediately.
Proper Operating Practices
How you operate your tractor can significantly impact the life of your GST transmission.
- Avoid Overloading: Don’t overload the tractor. Operating beyond its capacity can put excessive strain on the transmission and other components.
- Warm-Up: Allow the transmission to warm up before putting it under heavy load. Let the tractor run for a few minutes before starting your work. Warm-up ensures the fluid circulates properly and lubricates all the components.
- Smooth Shifts: Shift gears smoothly. Avoid jerking or forcing the gear lever. Make sure the tractor is moving at an appropriate speed for the gear you are selecting. Smooth shifts are better for the transmission.
By following these maintenance practices, you can significantly extend the life of your Kubota GST transmission and avoid costly repairs. Remember, a little preventative maintenance goes a long way. Make sure to consult your tractor’s owner’s manual for specific instructions and recommendations for your model.
When to Call a Professional: Knowing When to Get Help
Sometimes, despite your best efforts, you might encounter issues that are beyond your skill level. Knowing when to call a professional is just as important as knowing how to do basic maintenance. Here are some signs that it’s time to call in the experts for your Kubota GST transmission :
Persistent Problems
If you’ve tried troubleshooting a problem and it keeps coming back, it’s time to seek professional help. If the issues persist after you’ve tried the recommended fixes, it’s best to call a mechanic.
- When to Seek Help: Repeated gear shifting issues, slipping gears, or unusual noises that you can’t diagnose are all signs to call in a professional. Ignoring these signs can lead to more serious and expensive repairs. Continuous problems mean there is more damage to the internal parts.
Major Repairs
Some repairs, like clutch pack replacement or internal transmission work, require specialized tools, knowledge, and experience.
- When to Seek Help: If you suspect major internal damage, such as worn gears, damaged bearings, or issues with the hydraulic system, consult a professional. These repairs are complex and require experience. Trying to do these repairs yourself can lead to more problems.
Safety Concerns
Safety should always be your top priority. If you’re uncomfortable working on the transmission or unsure about any step of the repair process, don’t hesitate to call for help.
- When to Seek Help: If you are not comfortable working with heavy machinery or are concerned about your safety, it’s best to call a professional. Working on the transmission can be dangerous if you don’t have the right training and equipment. Professional mechanics know what they’re doing and have the proper tools and safety gear to get the job done right.
Lack of Specialized Tools
Some Kubota GST transmission repairs require specialized tools that the average owner doesn’t have.
- When to Seek Help: If you don’t have the right tools, it is best to contact a mechanic. Attempting to make repairs without the right tools can be frustrating and may result in damage. This can also lead to more problems than you started with.
Remember, a qualified mechanic has the training, experience, and access to the necessary parts and tools to diagnose and repair your Kubota GST transmission correctly. Don’t hesitate to seek professional help if you’re in doubt. This will save you time and money in the long run. Seeking help from the beginning can prevent you from causing any damage to the machinery.
Conclusion: Keeping Your Kubota GST Transmission Running Strong
Well, guys, we’ve covered a lot today. We’ve explored the ins and outs of the Kubota GST transmission , from its basic operation to common problems and maintenance tips. Remember, the GST transmission is a fantastic piece of engineering that can make your work easier and more efficient. By understanding how it works, what can go wrong, and how to maintain it, you can keep your Kubota tractor running smoothly for years to come. Don’t forget that regular maintenance and prompt attention to any issues are your best tools for ensuring that your GST transmission remains reliable. Take care of your machine, and it will take care of you. We hope this guide has been helpful. If you have any questions, feel free to ask. Happy farming, everyone! Always remember that keeping your tractor in good condition pays off in the long run. These machines can be reliable if you know how to take care of them. And remember, when in doubt, call a professional. Thanks for reading and take care!