IRFZ44N MOSFET: SMD Guide, Specs & Uses

L.Audent 55 views
IRFZ44N MOSFET: SMD Guide, Specs & Uses

IRFZ44N MOSFET: A Comprehensive Guide for SMD Enthusiasts

Hey guys! Ever wondered about the IRFZ44N MOSFET and its role in the world of Surface Mount Devices (SMD) ? Well, you’ve come to the right place! This guide dives deep into the IRFZ44N, exploring its specifications, applications, and everything you need to know to use it effectively in your projects. Whether you’re a seasoned electronics pro or just starting out, understanding this versatile component is a must.

What is the IRFZ44N MOSFET?

The IRFZ44N is an N-channel MOSFET (Metal-Oxide-Semiconductor Field-Effect Transistor) that’s widely used as a switching or amplification device in electronic circuits. Its popularity stems from its robust performance, relatively low on-resistance, and ability to handle significant current. As an SMD component, the IRFZ44N is designed for direct mounting onto the surface of a printed circuit board (PCB), making it ideal for compact and high-density electronic designs. Its key features include a voltage rating of typically 55V, a continuous drain current of around 47A, and a low gate threshold voltage, making it easy to drive with microcontrollers or other low-voltage logic circuits. The device’s ability to switch quickly and efficiently makes it a preferred choice in applications like power supplies, motor control, and DC-DC converters.

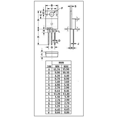
The IRFZ44N’s low on-resistance minimizes power loss during switching, which contributes to improved energy efficiency in electronic devices. This is particularly important in battery-powered applications where every milliwatt counts. Furthermore, the device’s ruggedness allows it to withstand transient voltage spikes and overcurrent conditions, enhancing the reliability of the overall system. The SMD package of the IRFZ44N is typically a D2PAK (TO-263), which provides good thermal dissipation and facilitates automated assembly processes. This package is designed for efficient heat transfer from the MOSFET to the PCB, which helps to keep the device operating within its safe temperature range. Overall, the IRFZ44N MOSFET’s combination of performance, reliability, and ease of use has made it a popular choice among electronic engineers and hobbyists alike. Its widespread availability and relatively low cost also contribute to its appeal, making it an accessible option for a wide range of projects and applications. Whether you’re designing a sophisticated power management system or a simple LED driver circuit, the IRFZ44N can provide a reliable and efficient solution.

Key Specifications of the IRFZ44N

Understanding the specifications of the IRFZ44N MOSFET is crucial for selecting it for your specific application. Let’s break down the key parameters:

  • Voltage Rating: The IRFZ44N typically has a drain-source voltage (Vds) rating of 55V. This means it can safely handle voltages up to 55V between its drain and source terminals. Exceeding this voltage can lead to breakdown and permanent damage to the MOSFET.
  • Current Rating: The continuous drain current (Id) is usually around 47A. This indicates the maximum current the MOSFET can conduct continuously without overheating. However, it’s important to consider the operating temperature and cooling conditions, as the actual current handling capability may be lower in certain scenarios.
  • On-Resistance (RDS(on)): This is the resistance between the drain and source terminals when the MOSFET is fully turned on. The IRFZ44N boasts a low RDS(on) value, typically around 0.0175 ohms. Lower on-resistance translates to less power dissipation and higher efficiency.
  • Gate Threshold Voltage (Vgs(th)): This is the voltage required to turn the MOSFET on. The IRFZ44N has a low Vgs(th), usually between 2V and 4V, making it compatible with many low-voltage logic circuits and microcontrollers.
  • Power Dissipation (Pd): This indicates the maximum power the MOSFET can dissipate as heat. The IRFZ44N typically has a power dissipation rating of around 94W. However, this rating is dependent on the mounting and cooling conditions. Proper heat sinking is often necessary to achieve the full power dissipation capability.
  • Gate Charge (Qg): This parameter affects the switching speed of the MOSFET. The IRFZ44N has a relatively low gate charge, enabling fast switching speeds and reduced switching losses.

These specifications provide a comprehensive overview of the IRFZ44N’s capabilities. When selecting the IRFZ44N for your project, it’s important to consider all these parameters and ensure they meet the requirements of your application. For example, if you’re designing a high-current power supply, you’ll need to pay close attention to the current rating and on-resistance. If you’re using the MOSFET in a high-frequency switching application, you’ll need to consider the gate charge and switching speed. Always refer to the datasheet for the most accurate and up-to-date specifications.

Common Applications of the IRFZ44N

The versatility of the IRFZ44N MOSFET makes it suitable for a wide array of applications. Here are some of the most common uses:

  • Power Supplies: The IRFZ44N is frequently used in switching power supplies and DC-DC converters. Its low on-resistance and high current capability make it ideal for efficient power conversion.
  • Motor Control: It’s commonly employed in motor control circuits, enabling precise control of motor speed and direction. Its ability to handle high currents makes it suitable for driving a variety of motors.
  • LED Lighting: The IRFZ44N can be used to control the brightness of LEDs in lighting applications. Its fast switching speed allows for precise PWM (Pulse Width Modulation) control of LED intensity.
  • Battery Management Systems (BMS): In BMS, the IRFZ44N is used for switching and protecting battery packs. Its low on-resistance minimizes power loss during charging and discharging.
  • Automotive Electronics: Due to its ruggedness and ability to withstand harsh environments, the IRFZ44N is often found in automotive electronic systems, such as power distribution and motor control.
  • Robotics: In robotics, the IRFZ44N is used to control motors, actuators, and other high-power components. Its small size and high performance make it ideal for compact robotic designs.

Beyond these common applications, the IRFZ44N finds its way into countless other electronic circuits and systems. Its adaptability and reliable performance make it a go-to component for engineers and hobbyists alike. For instance, it can be used in solar power systems for controlling the flow of energy from solar panels to batteries or loads. It’s also employed in audio amplifiers for switching and amplifying audio signals. The IRFZ44N’s versatility extends to industrial automation, where it’s used for controlling machinery and equipment. Its robust design allows it to operate reliably in harsh industrial environments. In consumer electronics, it’s found in devices like laptops, smartphones, and gaming consoles, where it plays a crucial role in power management and control. The IRFZ44N’s widespread adoption is a testament to its performance, reliability, and ease of use. Whether you’re designing a complex industrial system or a simple hobby project, the IRFZ44N can provide a reliable and efficient solution.

Advantages of Using the SMD IRFZ44N

Opting for the SMD (Surface Mount Device) version of the IRFZ44N offers several advantages over traditional through-hole components:

  • Compact Size: SMD components are significantly smaller than their through-hole counterparts, allowing for more compact and high-density circuit designs.
  • Automated Assembly: SMDs are designed for automated assembly using pick-and-place machines, which reduces manufacturing costs and increases production efficiency.
  • Improved Performance: SMDs often exhibit better electrical performance due to shorter lead lengths, which reduces parasitic inductance and capacitance.
  • Better Thermal Dissipation: The SMD package of the IRFZ44N is designed for efficient heat transfer to the PCB, which helps to keep the device operating within its safe temperature range.
  • Reduced Noise: Shorter lead lengths also contribute to reduced electromagnetic interference (EMI) and noise in the circuit.

These advantages make the SMD IRFZ44N a preferred choice for modern electronic designs where space, performance, and manufacturability are critical considerations. The compact size of the SMD package allows for more components to be placed on a single PCB, which is particularly important in applications like smartphones, tablets, and wearable devices. Automated assembly not only reduces manufacturing costs but also improves the consistency and reliability of the final product. The improved electrical performance of SMDs is crucial in high-frequency applications, where parasitic effects can significantly degrade signal quality. The better thermal dissipation of the SMD package allows the IRFZ44N to handle higher power levels without overheating. Finally, the reduced noise characteristics of SMDs contribute to a cleaner and more reliable circuit design. Whether you’re designing a high-performance audio amplifier or a low-power sensor circuit, the SMD IRFZ44N can provide a significant advantage over through-hole components.

Tips for Working with SMD IRFZ44N

Working with SMD components like the IRFZ44N requires some specific techniques and tools. Here are a few tips to help you succeed:

  • Use Proper Tools: Invest in a good soldering iron with a fine tip, tweezers, and a magnifying glass or microscope. These tools will make it easier to handle and solder the small SMD components.
  • Apply Solder Paste: Use solder paste to apply solder to the pads on the PCB. This ensures a uniform and consistent solder joint.
  • Use a Hot Air Rework Station: For more complex soldering tasks or for removing SMD components, a hot air rework station can be invaluable.
  • Practice Proper Soldering Techniques: Ensure you have a good understanding of soldering techniques, such as applying the right amount of heat and solder, and avoiding solder bridges.
  • Inspect Your Work: After soldering, carefully inspect your work with a magnifying glass or microscope to ensure there are no solder bridges or cold solder joints.

In addition to these tips, it’s also important to have a clean and well-lit workspace. Good lighting will help you see the small SMD components more clearly, while a clean workspace will prevent contamination and make it easier to handle the components. When handling SMD components, be careful not to damage them with static electricity. Use an antistatic mat and wrist strap to prevent electrostatic discharge (ESD). When storing SMD components, keep them in antistatic bags or containers to protect them from ESD. Before soldering, make sure the PCB pads are clean and free of oxidation. Use a solder wick or a desoldering pump to remove any excess solder from the pads. When soldering, apply heat to the pad and the component lead simultaneously. This will ensure a good thermal connection and prevent cold solder joints. After soldering, clean the PCB with isopropyl alcohol to remove any flux residue. Flux residue can be corrosive and can damage the PCB over time. By following these tips, you can improve your success rate when working with SMD IRFZ44N MOSFETs and other SMD components.

Conclusion

The IRFZ44N MOSFET is a powerful and versatile component that’s widely used in a variety of electronic applications. Its robust performance, low on-resistance, and ease of use make it a popular choice among engineers and hobbyists alike. The SMD version of the IRFZ44N offers several advantages over traditional through-hole components, including a compact size, automated assembly, and improved performance. By understanding the specifications, applications, and best practices for working with the SMD IRFZ44N, you can unlock its full potential and create innovative and efficient electronic designs. So go forth and experiment, and don’t be afraid to push the boundaries of what’s possible! You got this!