IC 4053B: Your Guide To This CMOS Analog Switch

L.Audent 114 views
IC 4053B: Your Guide To This CMOS Analog Switch

Understanding the IC 4053B: A Versatile CMOS Analog Switch

Hey guys, let’s dive into the nitty-gritty of the IC 4053B , a super handy component in the world of electronics. If you’ve ever tinkered with circuits or looked at datasheets, you’ve probably come across this little gem. The IC 4053B is a triple-pole, double-throw (3PDT) analog switch, which basically means it’s like having three independent switches, each capable of connecting one of two inputs to a single output. Pretty neat, right? Its core function is to allow digital signals to control analog or digital signals, making it a fundamental building block for routing signals in all sorts of applications. We’re going to break down what makes this chip tick, why it’s so popular, and where you’ll commonly find it. Stick around, because by the end of this, you’ll have a solid grasp on this versatile little IC.

What Exactly is the IC 4053B?

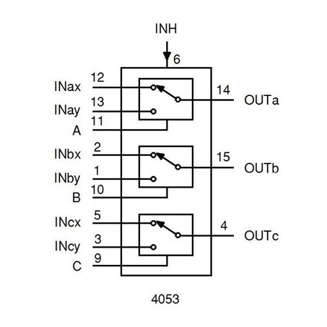
So, what is the IC 4053B all about? At its heart, it’s a CMOS analog multiplexer/demultiplexer. Don’t let the fancy terms scare you off! Think of it as a traffic controller for your electronic signals. It uses three independent switches, and each switch has two possible inputs (let’s call them A and B) and one common output ©. You use a digital control signal to decide whether the output C is connected to input A or input B. The ‘triple-pole’ part means you get three such independent switches within a single package. The ‘double-throw’ refers to each switch having two possible connections (throws). This makes it incredibly useful for selecting between different signal paths. For instance, you could use one switch to select between two audio sources, another to switch between different sensor readings, and the third for something else entirely, all controlled by a microcontroller. Its CMOS technology means it’s power-efficient and can handle a decent range of analog signal voltages. It’s designed to operate over a wide voltage range, typically from 3V to 18V, which adds to its flexibility. The ‘B’ suffix usually denotes a specific package type or minor revision, but the core functionality remains the same across the 4053 family. Understanding these basic features is the first step to unlocking its potential in your projects.

Key Features and Specifications of the IC 4053B

Let’s get down to the brass tacks, guys! The IC 4053B packs a punch with several key features that make it a go-to component. First off, its triple 2-channel configuration is its main selling point. This means you get three independent SPDT (Single Pole Double Throw) switches in one package. Each switch can handle both analog and digital signals, which is a massive plus for flexibility. The control logic is straightforward: you use digital signals (typically from a microcontroller) to select which path each switch takes. It supports a wide operating voltage range, usually from 3V to 18V . This is awesome because it means you can integrate it into both low-voltage and higher-voltage systems without needing complex level shifting. The ‘ON’ resistance, which is the resistance when a switch is actually conducting, is quite low – typically around 100 ohms at a 15V supply. This low resistance is crucial for minimizing signal degradation, especially for analog signals where you want to preserve signal integrity. Leakage current is also a critical spec, and the 4053B keeps this impressively low, which means very little signal bleeds through when the switch is supposed to be ‘off’. This is vital for preventing unwanted crosstalk between channels. It also boasts high noise immunity , meaning it’s less susceptible to interference from noisy environments, a common problem in DIY electronics. The switching speed is also pretty decent, allowing for rapid signal selection. The digital control inputs are also protected against electrostatic discharge (ESD), which is a nice bonus during handling and prototyping. All these specifications combine to make the IC 4053B a reliable and robust choice for a multitude of electronic designs.

How Does the IC 4053B Work?

Alright, let’s demystify the inner workings of the IC 4053B . At its core, each of the three switches inside the chip operates based on a control signal. Imagine each switch as a gate. You have two potential signal paths coming in (let’s call them ‘A’ and ‘B’) and one path going out (‘Y’). There are specific pins on the IC designated as ‘Select’ or ‘Enable’ pins. These are the control pins. For the IC 4053B, you typically have a few select pins (often labeled A/B, S0, S1, S2, etc., depending on the exact variant or how you’re using it) that determine the state of the switches. For example, with a simple 3PDT setup, you might have one common select line for all three switches, or individual select lines for each. Let’s consider a single switch: if the control signal is ‘low’, it might connect input A to output Y. If the control signal is ‘high’, it connects input B to output Y. The ‘CMOS’ aspect is key here. CMOS technology uses complementary pairs of P-type and N-type metal-oxide-semiconductor field-effect transistors (MOSFETs) to form the switching elements. When a control voltage is applied, it turns on specific transistors, creating a low-resistance path between the input and output terminals. When the control voltage is absent or at the opposite level, these transistors turn off, creating a high-resistance path, effectively opening the switch. The beauty of the 4053B is that it has three such independent switch circuits integrated. This means you can control each of these three switches separately or sometimes in combination, depending on the control pin configuration. This allows for complex signal routing, like switching between multiple sensors, audio inputs, or even different power rails. The ‘analog’ part means it’s not just for digital logic; it can pass signals like audio, video, or sensor data without significant distortion, as long as the signal voltage stays within the specified limits and the low ‘ON’ resistance is acceptable. It’s a digital controller enabling analog signal path selection.

Applications of the IC 4053B

So, where does this awesome little IC 4053B shine? Its versatility makes it a star player in a ton of electronic projects and commercial products. One of the most common uses is in audio signal routing . Imagine you want to build a mixer, a sound selector for a home theater system, or even just a headphone amplifier where you can switch between different sources – the 4053B is perfect for this. You can select between multiple audio inputs (like CD player, AUX, phone) and route the chosen one to your amplifier. Another big area is data acquisition and sensor multiplexing . If you have a microcontroller with limited analog-to-digital converter (ADC) pins, you can use the 4053B to connect multiple sensors (temperature, light, pressure) one at a time to a single ADC input. Your microcontroller just needs to toggle the select pins to cycle through the sensors and read their values. This is a huge space and pin saver! Communication systems also benefit. It can be used for switching between different communication channels or for selecting between different antennas. In remote control systems , it can help route signals from various inputs to a central processing unit. DIY projects are where the 4053B really gets to show off. Hobbyists use it for everything from simple LED pattern selectors to complex robots that need to switch sensor inputs or control different actuators. Think about building a programmable light show – you could use the 4053B to switch between different LED color or pattern control signals. Even in some instrumentation and test equipment , it’s used to select different measurement points or ranges. The ability to control analog signals with digital logic makes it a bridge between the digital control world and the analog signal world, which is fundamental to modern electronics.

Signal Routing and Switching

When we talk about signal routing and switching , the IC 4053B is a prime candidate, guys. Its fundamental job is to act as an electronically controlled switch. Think of it like a remote-controlled DPDT switch, but you get three of them in one tiny package! This means you can direct electronic signals from one place to another without any mechanical parts. For instance, if you have a stereo audio system, you might want to switch between a CD player, a turntable, and a Bluetooth receiver. The IC 4053B can be configured to do just that. You’d connect the outputs of each source to the ‘input’ pins of the 4053B switches, and the ‘output’ pins would all be connected together and then routed to your amplifier. A microcontroller or simple digital logic circuit would then send signals to the select pins of the 4053B to choose which source is currently active. This digital control is super convenient because it allows for automation and integration with other digital systems. It’s not just for audio, either. This applies to any analog signal within its voltage and current limits, like sensor outputs, analog control voltages, or even RF signals in some applications. The low ‘on’ resistance ensures that the signal quality isn’t degraded too much during the switching process, and the high ‘off’ resistance prevents unwanted signals from leaking between the unselected channels. This isolation is critical in complex systems to prevent interference and ensure accurate signal processing. So, whether you’re designing a complex piece of test equipment or a simple audio selector for your desk, the 4053B offers a clean and efficient way to manage your signal paths.

Multiplexing with the IC 4053B

Let’s talk about multiplexing , a really powerful technique where the IC 4053B truly shines. Multiplexing, often shortened to ‘muxing’, is essentially the process of selecting one of several input signals and forwarding it to a single output line. The IC 4053B is perfect for this because each of its internal switches acts as a mini-multiplexer. With three independent switches, you can create a 3-channel, 1-of-2 multiplexer (or a demultiplexer, which is the reverse process). Imagine you have a microcontroller with only a few analog input pins, but you need to read data from, say, eight different sensors. You can use two IC 4053B chips. Each chip has three 1-of-2 switches. By carefully controlling the select pins on both chips, you can effectively select any one of the six input channels and route it to a common output. If you need more channels, you can even ‘chain’ them together. For example, you could use the output of one switch on the first 4053B to feed into an input of a switch on the second 4053B, effectively creating a more complex routing matrix. The digital control signals are key here. By programming your microcontroller to cycle through different combinations of HIGH and LOW signals on the select pins, you can sequentially connect each sensor to the microcontroller’s ADC. This is incredibly efficient and cost-effective, as it drastically reduces the number of input pins required on your main processor. It’s a fundamental technique used everywhere, from simple hobbyist projects to sophisticated industrial control systems, to manage multiple data streams efficiently.

Advantages of Using the IC 4053B

So, why choose the IC 4053B over other options, you ask? Well, there are several compelling reasons, guys! Firstly, its cost-effectiveness is a massive draw. These chips are generally inexpensive, making them ideal for budget-conscious projects or mass production where cost per unit is critical. Secondly, its versatility is off the charts. As we’ve discussed, it can handle both analog and digital signals, operates over a wide voltage range, and its three independent switches offer flexible routing options. You’re not locked into a single function; you can adapt it to many different needs. The low ‘ON’ resistance is another significant advantage. For many applications, especially audio or sensor readings, minimizing signal loss is crucial. The 4053B provides a relatively low resistance path when switched ‘ON’, ensuring that your signals remain strong and clear. Furthermore, its high ‘OFF’ resistance provides excellent isolation between channels. This means that when a switch is turned off, the signal leakage is minimal, preventing interference between different signal paths. This is super important for preventing crosstalk in audio applications or ensuring accurate readings from sensors in a multiplexed system. The CMOS technology it employs also means it has low power consumption , which is a big plus for battery-powered devices or systems where energy efficiency is a priority. Lastly, its wide operating voltage range (typically 3V to 18V) makes it compatible with a broad spectrum of microcontrollers and power supply systems, simplifying integration. These combined advantages make the IC 4053B a reliable, flexible, and economical choice for a wide array of electronic designs.

Simplicity and Ease of Use

One of the absolute best things about the IC 4053B is its sheer simplicity and ease of use . Seriously, guys, if you’re just getting your feet wet with electronics or need a quick solution, this IC is your friend. Unlike some complex digital logic chips or specialized ICs, the 4053B operates on very straightforward principles. You’ve got your signal inputs, your signal output, and a few control pins. The control pins accept standard digital logic levels (like those output by most microcontrollers – think Arduino, Raspberry Pi Pico, ESP32). You don’t need fancy drivers or complex programming to make it switch. A simple HIGH or LOW signal is usually all it takes to select the desired path. The datasheet is pretty clear about which logic level connects which input to the output. This low barrier to entry means you can get it working in your circuit very quickly, saving you valuable development time. Whether you’re routing audio, switching sensor inputs, or selecting different control signals, the process is fundamentally the same: apply the correct digital logic to the select pins. This makes it perfect for rapid prototyping, educational purposes, or situations where you need a reliable switching solution without a steep learning curve. It just works without demanding a deep understanding of complex semiconductor physics, allowing you to focus on the overall system design.

Reliability and Durability

When you’re building electronics, whether it’s a passion project or something more serious, reliability and durability are key, right? The IC 4053B generally scores pretty well on both fronts. Being a part of the well-established 4000 series of CMOS logic ICs, it’s built on proven technology. These chips have been around for ages and have a track record of being robust. The CMOS technology itself is inherently quite reliable. Unlike some older technologies, it’s less prone to certain types of failure modes. The internal construction, with its MOSFETs acting as switches, is solid. Furthermore, many versions of the 4053B come with ESD (Electrostatic Discharge) protection on the input pins. This is crucial because static electricity can easily fry sensitive electronic components, especially during handling or assembly. This protection adds a significant layer of durability, making it less likely to be damaged by accidental static shocks. While no electronic component is indestructible, the 4053B is known for its resilience under normal operating conditions and even tolerates some degree of overvoltage or undervoltage within its specified limits. Its wide operating temperature range also contributes to its reliability in various environmental conditions. For hobbyists and engineers alike, knowing that your core components are likely to withstand the rigors of development and operation provides peace of mind and leads to more dependable final products.

Conclusion

So there you have it, guys! The IC 4053B is a seriously versatile and dependable component in the electronics world. We’ve covered how it functions as a triple 2-channel analog switch, its key specs like low ON resistance and wide voltage range, and how it excels in applications ranging from audio routing to sensor multiplexing. Its simplicity, cost-effectiveness, and inherent reliability make it a fantastic choice for countless projects, from beginner DIY endeavors to more complex embedded systems. Whether you need to switch signals, select data sources, or simply route signals efficiently, the 4053B offers a straightforward and robust solution. It’s a true workhorse that bridges the gap between digital control and analog signal paths, proving that sometimes, the most fundamental components are the most powerful. Don’t underestimate this little chip; it might just be the key to unlocking your next great electronic design!